

Guilherme Petrochi
petrochi@gmail.com
A conexão balanceada, que é padrão em equipamentos profissionais há muito tempo, recentemente popularizou-se em produtos hi-end. Entender porque ela é indispensável no áudio profissional é fácil. Imagine, por exemplo, num grande show, um sinal que sai do microfone e percorre dezenas de metros até a mesa de som na ‘housemix’, depois percorre novamente a mesma distância até os amplificadores do PA. Além da degradação causada por ruídos de terra (hum e buzz), o sinal é afetado por cabos de energia elétrica e outras fontes de interferências externas (eletromagnéticas, eletrostáticas e também de radiofrequência). Se não fosse a conexão balanceada, o resultado sonoro seria caótico!
Nos estúdios, as condições de interferências são menos severas, mas a necessidade de evitar crosstalk entre canais, devido ao uso de multicabos e conectores multiway, torna obrigatória a conexão balanceada.
Qual é sua real importância em sistemas de áudio domésticos de alta fidelidade? Atualmente, a conexão balanceada é sinônimo de alta performance, conferindo este status a qualquer equipamento que a utilize. Mas o que poucos sabem é que esses equipamentos são, em sua maioria, desbalanceados e que empregam circuitos conversores balanceado / desbalanceado na entrada e / ou saída (adiante detalharemos o funcionamento de conexões balanceadas / desbalanceadas).
Tais circuitos podem comprometer a fidelidade e até mesmo a relação sinal / ruído do sistema de áudio! Essa afirmação parece incoerente, mas é a pura verdade. O leitor pensará: como um padrão de conexão, desenvolvido especialmente para eliminar interferências externas, loop e ruído de terra, pode comprometer a relação sinal / ruído de um equipamento?
Podemos considerar que existe o mundo dentro do equipamento e o mundo fora dele. A conexão balanceada é, indiscutivelmente, uma tecnologia muito poderosa e valiosa quando o mundo de fora é hostil, mas, quando ele não é, os problemas de engenharia tornam-
se evidentes.
Um equipamento desbalanceado pode ter sua relação sinal / ruído piorada em cerca de 15 dB, caso o circuito conversor da entrada não seja cautelosamente elaborado. Acredite, não é fácil desenvolver tal circuito de modo a não prejudicar o resultado final de um equipamento desbalanceado de qualidade.
Isso não significa necessariamente que a conexão balanceada seja pior (adiante veremos o caso de equipamentos fully balanced). Obviamente, estamos considerando que o audiófilo tenha seu sistema (com conexões desbalanceadas) sob controle, ou seja, bom aterramento das tomadas e arranjo correto dos equipamentos e do cabeamento para evitar que campos eletromagnéticos afetem o sinal de áudio. Transformadores da fonte de alimentação, por exemplo, geram campos eletromagnéticos que podem afetar o sinal de toca-discos com cápsula MC ou cápsula MM sem blindagem. A saída de baixo nível das cápsulas MC (0,5 mV) e MM (5 mV) se beneficia da conexão balanceada, já a saída em nível de linha (2 V) das fontes digitais, como o CD player, normalmente não é afetada por interferências eletromagnéticas. As interferências eletrostáticas (crosstalk) não costumam ser um problema em sistemas hi-end, pois quase sempre os cabos de interconexão são separados.
Infelizmente, manter o sistema sob controle nem sempre é uma tarefa fácil e talvez esse seja o motivo da popularização da conexão balanceada nos equipamentos domésticos de alta fidelidade. Para entender como funciona a conexão balanceada, precisamos primeiro entender a desbalanceada (feita normalmente com conectores RCA).

O cabo coaxial (desbalanceado) simples (figura 1-a) é composto por apenas dois condutores: um deles, o condutor central, transmite o sinal de áudio, e o outro, a malha, conecta o terra dos equipamentos – servindo de retorno para o sinal – e protege o condutor central de interferências eletrostáticas (crosstalk).
A figura 2 mostra um circuito desbalanceado de entrada (buffer de ganho unitário) sendo alimentado por um sinal desbalanceado. A impedância de entrada do equipamento é definida pelo valor de Re.

A figura 3 mostra um circuito desbalanceado de saída. A impedância de saída do equipamento é definida pelo valor de Rs. Baixas impedâncias (<100 Ohms) são importantes porque minimizam perdas de agudos, causadas por cabos de alta capacitância (>200 pF/m).

Quando a utilização de cabos longos faz-se necessária, a conexão desbalanceada fica vulnerável às interferências externas (eletromagnéticas, eletrostáticas e de radiofrequência), as quais, ao atingirem o sinal de áudio, o contaminam de forma definitiva. Note que os circuitos desbalanceados (figura 2) permitem que as interferências passem adiante, junto com o sinal.
Outra desvantagem de cabos longos é o ruído de terra, que ocorre porque uma pequena corrente ruidosa, proveniente da rede elétrica, sempre flui entre os terras dos equipamentos através da malha do cabo de interconexão. A passagem dessa corrente pela resistência da malha provoca uma diferença de potencial entre os terras. Como a malha serve de retorno para o sinal de áudio, a diferença de potencial se soma a ele e produz o desagradável ruído de terra, audível na forma de um ‘buzz’ (harmônicos de 60 Hz). Quanto maior for o cabo, maior será a resistência da malha e, consequentemente, maior o ruído de terra. Esse é o tipo de ruído mais comum em sistemas desbalanceados e só não é pior que o ruído causado pelo loop de terra, como veremos a seguir.
Diferente do ruído de terra, que é dependente do cabo de interconexão e da qualidade do transformador da fonte (um dos componentes que deixa ‘vazar’ parte da corrente ruidosa da rede elétrica para o terra), o ruído inserido pelo loop de terra é dependente da qualidade do aterramento das tomadas: se todas as tomadas não forem ligadas a um único ponto de terra, haverá diferença de potencial entre os pinos de terra dos cabos de força de forma análoga à que ocorre no cabo de interconexão. A corrente ruidosa que flui entre os pinos de terra dos cabos de força também flui pela malha do cabo de interconexão e insere o famoso ‘hum’ (60 Hz da rede elétrica) no sinal de áudio. Esse fenômeno é o loop de terra.
Uma prática – nada segura – que elimina o loop de terra é o uso de tomadas sem aterramento ou a retirada do terceiro pino do cabo de força. Os problemas causados por interferências externas, loop e ruído de terra, são facilmente resolvidos com o uso da conexão balanceada.
O cabo balanceado simples (figura 1-b) é composto por três condutores: um deles (malha) conecta o terra dos equipamentos e proporciona blindagem eletrostática aos dois condutores centrais (hot e cold) que transmitem o mesmo sinal de áudio, mas com a fase invertida.
A figura 4 mostra um circuito conversor balanceado-desbalanceado (amplificador diferencial com buffers de ganho unitário) sendo alimentado por um sinal balanceado. A impedância de entrada do equipamento é definida pelo valor de Re+ e Re-.

As interferências externas atingem os condutores hot e cold simultaneamente (common-mode). A entrada balanceada do equipamento rejeita informações comuns aos dois condutores (interferências e ruídos) e transforma os sinais em contra-fase (hot e cold), num único sinal. ‘Hum’ e ‘buzz’ causados por loop e ruído de terra são comuns aos dois condutores e também são eliminados pela entrada balanceada.
A imunidade à interferência de radiofrequência da entrada balanceada eletrônica, ao contrário do que muitos pensam, não é melhor que a imunidade obtida com conexão desbalanceada. A entrada balanceada não consegue cancelar completamente esse tipo de interferência, pois ela não afeta os condutores hot e cold de forma idêntica por uma ampla faixa de frequências – fator essencial para a rejeição eficaz das interferências.
A característica mais importante da conexão balanceada é a CMRR (Common-Mode Rejection Ratio). Ela indica a taxa de rejeição dos ruídos / interferências e é dependente de fatores como: impedância de saída do equipamento que envia o sinal, impedância de entrada do que recebe, qualidade do cabo de interconexão e principalmente da precisão de Re+ e Re-, responsáveis pelo balanço de impedâncias com relação ao terra.
A CMRR pode variar de -20 dB, para uma conexão ruim, a -140 dB, para uma conexão excelente. Valores em torno de -100 dB são suficientes para uma reprodução silenciosa. Infelizmente, pouquíssimos fabricantes indicam a CMRR nas especificações técnicas, pois ela é altamente dependente da interação entre equipamentos.
A entrada balanceada não precisa receber necessariamente dois sinais com fase invertida de mesma amplitude (hot e cold). Ela também pode ser alimentada por um sinal desbalanceado (hot e terra).

Nesse caso o condutor cold é conectado ao terra do equipamento desbalanceado. Essa conexão deve ser feita no conector RCA (figura 5-a), pois, caso existam voltagens espúrias na malha, elas serão ignoradas pela entrada balanceada. Ao usar adaptadores RCA-XLR (figura 5-b) o raciocínio é o mesmo: o adaptador (RCA macho-XLR macho) deve ficar na saída do equipamento desbalanceado.
A figura 6 mostra uma entrada balanceada sendo alimentada por um sinal desbalanceado.

Essa conexão resolve problemas de loop e ruído de terra, mas a rejeição de interferências externas não é mais eficiente que a de uma conexão desbalanceada convencional. Isso acontece porque ao conectar o cold no terra (impedância zero), o balanço de impedâncias (característica crucial para uma boa CMRR) é afetado, pois a impedância de saída para o hot normalmente varia de 47 a 100 Ohms. Um equipamento desbalanceado com 100 Ohms, por exemplo, degrada a CMRR da conexão para -40 dB, mesmo que a entrada balanceada tenha uma CMRR infinita.
Se o cabo RCA-XLR for montado da maneira inversa (figura 7-a) ou se o adaptador (RCA fêmea-XLR macho) for usado na entrada balanceada (figura 7-b), todos os benefícios da conexão balanceada serão desperdiçados e a rejeição a loop e ruído de terra será de
0 dB!

Outra desvantagem da conexão desbalanceada-balanceada é a diminuição do ganho, pois o sinal desbalanceado (hot e terra) tem metade da amplitude do balanceado (hot e cold), ou seja, 6 dB a menos.
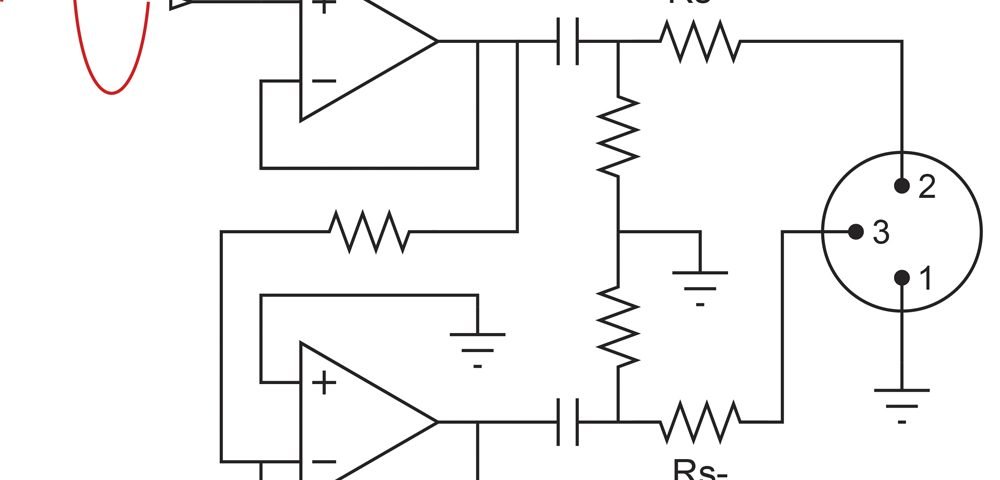
A figura 8 mostra um circuito conversor desbalanceado-balanceado. A parte de cima é idêntica à saída desbalanceada da figura 3 e a de baixo gera uma cópia do sinal, mas com a fase invertida. A impedância de saída do equipamento é definida pelo valor de Rs+ e Rs-. Baixas impedâncias (<100 Ohms) são importantes porque otimizam a CMRR e minimizam perdas de agudos causadas por cabos de alta capacitância.

A vantagem da saída balanceada é que o aumento de 6 dB no nível do sinal contribui para uma melhora da relação sinal / ruído, bem como, da faixa dinâmica.
A conexão balanceada-desbalanceada também é possível, mas só deve ser feita quando o equipamento que envia o sinal não tiver saída desbalanceada, pois, de qualquer modo, a CMRR será sempre 0 dB! Existe, no entanto, um cuidado a ser tomado: o pino cold deve ser inutilizado (e nunca conectado ao terra), senão a parte inversora do circuito sobreaquecerá e injetará distorção na entrada desbalanceada.
Existe ainda um tipo de saída balanceada (Quasi-Floating Output), na qual o cold deve ser conectado ao terra; caso contrário, a relação sinal / ruído poderá ser degradada em mais de 10 dB. A vantagem desta saída é que o nível do sinal não varia com o tipo de entrada alimentada (contudo, 6 dB de headroom são perdidos na conexão balanceada-desbalanceada). Por ser mais versátil, este tipo de saída (figura 9) é comum em equipamentos profissionais, sendo raramente utilizada em equipamentos hi-end.

Se o manual de um equipamento que tem apenas saída balanceada não indicar o procedimento (cold aterrado ou não) para alimentar uma entrada desbalanceada, o resultado poderá ser desastroso.
Talvez, por esse motivo, alguns fabricantes de equipamentos profissionais usam a saída Impedance Balanced Output (figura 10), na qual o cold pode ser aterrado ou não. O nível do sinal também não varia com o tipo de entrada alimentada, pois, na verdade, esse circuito é o mesmo da figura 3 (saída desbalanceada) com uma pequena modificação: considerando-se a simetria de sinais, ele não é balanceado, pois não gera o sinal com a fase invertida (cold). As impedâncias, no entanto, são simétricas, pois o resistor adicional (Rs-) balanceia a saída.

A precisão de Rs+ e Rs- é o fator que define a CMRR de qualquer tipo de saída, portanto, a saída Impedance Balanced Output pode proporcionar boa CMRR à interface balanceada-balanceada, assim como outras saídas proporcionam. A desvantagem desse circuito é a diminuição de 6 dB no nível do sinal, se comparado às outras saídas balanceadas.
A maioria dos fabricantes de equipamentos profissionais que disponibilizam saídas balanceadas com conectores P10 fêmea usa o circuito Impedance Balanced Output.
A primeira aplicação da conexão balanceada foi na telefonia. Ela possibilitava a transferência de sinais telefônicos por quilômetros de fios sem que uma quantidade significativa de ruído afetasse a ligação. As aplicações seguintes foram em rádios, nos estúdios de gravação e no áudio profissional em geral.
Antes da conversão balanceado / desbalanceado ser feita eletronicamente, ela era realizada por transformadores (baluns). Esses dispositivos oferecem a solução mais simples para converter sinais desbalanceados em balanceados e vice-versa. A figura 11 mostra o circuito simplificado de um pré-amplificador desbalanceado com baluns na entrada e na saída.

Os transformadores têm algumas vantagens sobre os circuitos eletrônicos, tais como alta CMRR e imunidade a interferências de radiofrequência. Infelizmente, eles geram distorções de baixas frequências, principalmente quando são fabricados com núcleos pequenos. Já os circuitos conversores eletrônicos oferecem melhor resposta de frequência, resposta de transientes e não têm problema de linearidade em baixas frequências.
Transformadores ainda são usados em algumas aplicações específicas do áudio profissional, devido à sua imunidade a interferências de radiofrequência: O Direct Box, por exemplo, é um acessório extremamente útil para conectar instrumentos musicais na entrada de microfone (balanceada) da mesa de som. Ele é composto basicamente por um balun. Estes dispositivos raramente são utilizados em equipamentos hi-end, mas alguns produtos com transformadores de altíssima qualidade, como o pré-amplificador Coherence, da Jeff Rowland, marcaram história.
Atualmente, existem vários fabricantes produzindo equipamentos fully balanced. Alguns dos pioneiros foram: Accuphase, Krell, Jeff Rowland, Atma-Sphere, Mark Levinson, Audio Research, Balanced Audio Technology, Gryphon, Ayre, Pass Labs, McIntosh, Boulder, Pathos, MOON, Karan, Theta Digital, Classé, Burmester e MBL. Contudo, só alguns dos fabricantes citados têm todas as linhas de produtos compostas por equipamentos fully balanced: normalmente essa característica é a mais enfatizada nas especificações técnicas.
Os circuitos que processam o sinal de áudio em um equipamento fully balanced têm o dobro de componentes eletrônicos que os circuitos de um equipamento desbalanceado. A figura 12 mostra o diagrama simplificado de um amplificador desbalanceado e de um fully balanced.
No amplificador desbalanceado, o borne negativo é o terra comum e o positivo é a saída do circuito de amplificação. No fully balanced, cada borne é a saída de um circuito e o sinal de áudio não passa pelo terra comum. Essa topologia é análoga para pré-
amplificadores, players, DACs e pré-amplificadores de toca-discos.

A grande vantagem da topologia fully balanced (operação diferencial) é que, além de eliminar interferências externas e ruídos comuns ao terra, ela também cancela distorções adicionadas durante o processamento do sinal de áudio (as distorções dos sinais diferenciais são simétricas, pois os circuitos que lidam com os sinais hot e cold são iguais. Distorções simétricas tendem a cancelar harmônicos pares.
Outra característica pouco conhecida dos equipamentos fully balanced é que perturbações da fonte de alimentação (como ripple e hum) são desprezíveis. Os circuitos fully balanced drenam corrente em modo diferencial, portanto, diminuem a demanda de potência e rejeitam os ruídos comuns da fonte.
A conexão balanceada é geralmente desnecessária na reprodução doméstica de alta fidelidade. É claro que não utilizá-la em equipamentos fully balanced é um desperdício do potencial da topologia. Na aplicação profissional, a conexão balanceada é imprescindível devido a fatores comprometedores, como interferências externas, comprimento dos cabos e problemas de aterramento.
Como vimos, existem equipamentos desbalanceados, desbalanceados com entrada e / ou saída balanceada (conversores) e fully balanced. Os fully balanced são conhecidos por sua superioridade em resposta dinâmica, relação sinal / ruído e detalhamento.
Os desbalanceados com entrada e / ou saída balanceada precisam ser utilizados com sabedoria, isto é, só use as conexões balanceadas se for preciso. Assim, você evitará que o sinal faça um caminho mais longo, passando por circuitos conversores balanceado / desbalanceado. Normalmente o circuito conversor usado na entrada de equipamentos desbalanceados compromete sua relação sinal / ruído – o amplificador Cambridge Audio Azur 840 W, por exemplo, é uma exceção (seu circuito conversor é 0,9 dB mais silencioso que o circuito desbalanceado de entrada).
Os equipamentos desbalanceados não devem ser menosprezados, pois eles também podem ser extremamente silenciosos. Fabricantes como a Naim, por exemplo, nem ao menos disponibilizam conexões balanceadas. Ao invés disso, adotam soluções diferenciadas para garantir excelente relação sinal / ruído, como fonte de alimentação em gabinete separado e técnicas alternativas de aterramento.
Embora esta matéria pareça sugerir que os equipamentos fully balanced são os melhores, é preciso salientar que a única característica técnica levada em consideração foi a relação sinal / ruído. Existem muitos fatores que influenciam na sonoridade do sistema e em cada equipamento, sendo a relação sinal / ruído apenas um deles. No caso de equipamentos, fatores como variedade e possibilidades de associação dos componentes eletrônicos ativos (válvula; transistor bipolar, JFET ou MOSFET; Op Amp), topologia, polarização, tipo e projeto da fonte de alimentação, layout, material e qualidade dos componentes passivos, fiação, mecânica do gabinete e outros pequenos detalhes definem a assinatura sônica e as características técnicas de cada equipamento.
Os testes de laboratório são a base para a evolução da engenharia de áudio e dos estudos científicos, mas nem sempre o equipamento com melhor especificação técnica soa melhor. Os japoneses perceberam isso nos anos 80, quando, por curiosidade, resolveram alimentar as caixas acústicas daquela década usando amplificadores single-ended (fabricados nos anos 30) com válvulas triodo de aquecimento direto. Estes amplificadores têm todas as características indesejadas do ponto de vista técnico, como alta distorção, alta impedância de saída e relação sinal / ruído ruim, no entanto, existe um consenso entre os audiófilos que eles soam com maior ‘naturalidade’ e ‘calor’.
O áudio hi-end beneficia-se da complexidade do ouvido e da maneira com que o cérebro interpreta o som. As especificações técnicas apenas auxiliam na escolha do equipamento ideal para você. Não deixe de testar um produto só porque ele não tem conexões balanceadas!
2 Comments
Artigo muito bom, aproveitei como referencia de material didático, para as minhas aulas sobre Técnicas de Sonorização.
Parabéns ao grupo e toda a equipe que participaram na elaboração deste material.
Atenciosamente,
Antonio Almeida
Olá, tenho um equalizador behringer, modelo FBQ1502 e PAs da Wattson, ocorre que desejo ligar o equalizador nas Pas, porém a saída do equalizador é balanceada e a entrada do PA, é desbalanceada, como devo efetuar a conexão? qual esquema cabo cabo devo utilizar?