

Carlos Alberto Fazano
revista@avmag.com.br
Não existe nada mais democrático do que a música, pois ela divide com o ouvinte toda a sua riqueza igualitariamente. Sem dúvida alguma é a mais elevada forma de expressão de amor, jovialidade, profundidade e delicadeza do espírito. É a força que nos une, integrando-nos com o universo e, portanto, uma fonte de expressão humana. Entretanto, pode-se dizer que a universalização democrática da música é relativamente recente. Assim, antes da invenção do fonógrafo de Edison, a música de boa qualidade era privilégio de poucos.

Fig. 1 – O fonógrafo inventado por Thomas Alva Edison em 1879, mostrando os respectivos cilindros onde o material sonoro era gravado. As primeiras gravações de origem mecânica, advindas do incipiente cilindro de cera, eram de baixa qualidade, de forma que para se obter uma réplica fiel da imagem sonora ao vivo, se desencadeou uma frenética corrida tecnológica, que se estende até hoje, como ilustrado na figura 2.

Fig. 2 – Reprodução da propaganda da Victor Talking Machine, em 1908 – Quem é Quem? – Na sublegenda não mostrada, do anúncio, se induzia a notar a diferença entre ouvir ao vivo a cantora de ópera Geraldine Farrar, com sua voz gravada em um disco Victor. O anúncio ia ainda mais além, fazendo a pergunta: “você consegue?”. Nos anos trinta surgem os primeiros sistemas reprodutores, já apresentando inovações de alta fidelidade sonora. Um dos mais famosos eram os rádios integrados, cognominados como “Silver Ghost” e, fabricados pela renomada empresa Scott Radio Laboratories, de Chicago, EUA.

Fig. 3 – No esquemático produzido pelo fabricante, ele explica a importância da distribuição sonora no ambiente. Assim, o aparelho era provido com um painel acústico sobre o alto-falante, de forma que que os tons e sobretons produzidos pela orquestra fossem distribuídos uniformemente, criando-se, desta forma, a ambiência para o ouvinte, independentemente da sua posição na sala em relação ao centro do alto-falante.

Fig. 3A – O difusor acústico desenvolvido pelo fabricante para aumentar a ambiência sonora produzida pelo alto-falante. Entretanto, foi no final da década de 1940, que dois engenheiros, trabalhando independentemente, N.D. T. Williamson na Inglaterra, e Frank
McIntosh nos EUA, lançam a base para a reprodução de altíssima qualidade através de inovadoras topologias de circuitos.

Fig. 4 – O icônico trabalho publicado em 1949, na revista americana Audio Engineering, descrevendo um novo tipo de circuito amplificador de 50 W, em push-pull, com faixa passante de 18 a 20.000 Hz, empregando um transformador proprietário cuja técnica de enrolamento reduzia consideravelmente perda de reatância.

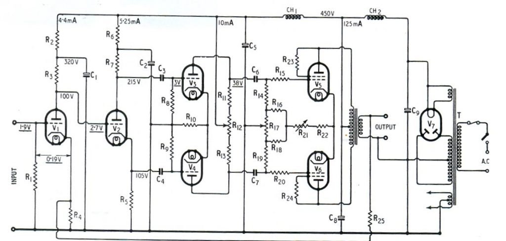
Fig. 4A – O circuito Williamson, um tipo de topologia que permitia amplificação com ínfima distorção, ampla resposta de frequência linear de 18 a 20.000 Hz, contínua potência de amplificação, ausência de deslocamento de fase, boa resposta a transientes e baixa resistência de saída. Nesta mesma época, eu estava iniciando minha educação musical através de aulas de piano e de sistemáticas preleções sobre a história da música pela minha mãe, que adorava interpretar partituras de Mozart, Schubert e Chopin, no piano de casa. Por outro lado, meu pai, músico autodidata que, também, tocava piano, era ouvinte contumaz das bolachas de 78 RPM, o que sem dúvida alguma me levou ao hábito de ouvi-las.
Primeiramente ele ouvia em aparelhos simples, com cápsula fonocaptora usando agulhas de aço, cuja reprodução se ouvia mais chiado do que música. Mas, em 1956, ele cometeu um despautério econômico ao adquirir, por um preço elevado para a época – cerca de 4500 contos – uma monumental eletrola modelo Auditorium, originalmente fabricadas pela SESA – Standard Electric S/A. O aparelho era o que tinha de mais avançado em tecnologia eletroacústica, compreendendo em mono chassi um rádio receptor com 12 faixas de onda e olho mágico, cujo estágio amplificador consistia de dois pentodos tipo EL84. No circuito de áudio havia ainda, em separado, um minimalista pré-amplificador provido com um duplo triodo tipo 12AX7. Na parte inferior do gabinete, tipo Chippendale, estavam alojados três alto-falantes, marca Lorenz, respectivamente com 8 e 4 polegadas cada. O toca-discos automático, marca VM, com seletor de velocidades 78, 45 e 33 RPM, incorporava um braço com cápsula fonocaptora de relutância variável modelo VR-1, fabricada pela GE com agulhas para reprodução de discos de 78 RPM e LPs.

Fig. 5 – Propaganda publicada na revista Antenna, pela Standard Electric sobre o toca-discos marca VM usado em seus diversos tipos de eletrolas. A qualidade sonora produzida pela eletrola era impressionante, mesmo considerando-se que os primeiros LP eram de natureza monofônica. Assim, o aparelho permitiu a possibilidade de audições em casa, o que me levou a adquirir o meu primeiro LP.

Fig. 6 – Em 1956 consegui, após um esforço econômico, adquirir o meu primeiro LP monofônico, catálogo Columbia LPCB 32048. O volume II do famoso concerto de Jazz de 1938 no Carnegie Hall. Esse convívio doméstico com as minhas primeiras audições de música gravada de qualidade despertou meu interesse e, assim, no intuito de obter mais informações sobre gravações e aparelhos, logo comecei a entrar em contato com outros confrades. Amauri Vieira era um audiófilo completo, pois sendo rádio técnico, dominava a arte de consertar e construir aparelhos valvulados, além de ter profunda paixão pela música clássica. Com ele me iniciei na montagem de aparelhos de som, através de circuitos publicados em revistas técnicas da época. Aprendi a montar caixas acústicas, ajustar toca-discos, limpeza de discos e, certamente, como escolher uma boa gravação, através de contínuas peregrinações em lojas de discos. Amauri, quando podia, também frequentava recitais de música ao vivo. No grupo liderado por ele, participavam também outros expressivos confrades. Dentre eles, destacava-se Victor Carone. Um técnico, autodidata que além de montar aparelhos de som, era também um amante de música clássica.

Fig. 7 – “Do-it-yourself”, ou “faça você mesmo”, teve início na era de ouro do rádio, nos EUA, e foi fundamental na rápida disseminação para o grande público de aparelhos de som com baixo custo e qualidade semelhante – ou se não igual – aos congêneres industrializados. Era e continua sendo uma impressionante forma didática de estimular o conhecimento do entusiasta no campo da eletrônica e da eletroacústica. Através da montagem de kits ou projetos eletrônicos, foi sem dúvida alguma um elemento imprescindível para aumentar o meu conhecimento e, assim, ajudar a aprimorar sobremaneira a minha sensibilidade no hábito de ouvir música. As reuniões eram feitas todos os sábados à tarde. Na primeira parte dela, o anfitrião apresentava o programa musical por ele escolhido. Após o intervalo para o café, a segunda parte havia comentários sobre a audição e discussões técnicas sobre aparelhos e o agendamento para o sábado seguinte. Por cerca de 40 anos manteve-se esta confraria a qual, infelizmente, terminou com o passamento de Vieira.

Fig. 8-9 – Closes feitos durante reuniões com o grupo Clube da Música, em Sorocaba, nos meados da década de 1980. É importante ressaltar que a grande maioria dos participantes dispunham de uma adequada sala de som. Na fotografia superior, realizada na sala de Amauri Vieira, ele aparece como o segundo à esquerda. Nos meados dos anos sessenta, mudei-me para São Paulo, quando na oportunidade participei de outros grupos de música. Assim, participava todas sextas-feiras à noite no grupo liderado pelo Dr. Lauro Braga e pelo Oswaldo de Oliveira Nascimento. O Dr. Lauro, como era conhecido, tinha grande sensibilidade musical e experiência em música gravada, pois participava anualmente de feiras de áudio e apresentações musicais, tanto na Europa como nos EUA. Oliveira Nascimento era um audiófilo adepto da técnica de reprodução sonora em três canais, de forma que dispunha em sua monumental sala de audição de um requintado e sofisticado sistema de reprodução sonora. Como entusiasta da música clássica barroca, frequentava a Igreja do Mosteiro de São Bento, no Largo São Francisco, para ouvir músicas sacras tocadas ao vivo no órgão da igreja. Desta sua experiência, me orientou na escolha de alto-falantes, mostrando as indeléveis nuances entre o reprodutor de cone para médias e altas frequências, com um congênere eletrostático na reprodução de gravações de músicas barrocas reproduzidas por cordas, cravos e órgãos, onde se destacam: Bach, Couperin Handel, Telemann e Vivaldi. Pode-se dizer que deste convívio técnico e musical, aprendi a selecionar e ouvir com profundidade gravações deste gênero musical.

Fig. 10 – Close feito durante audição na residência de outro grande audiófilo paulistano, Ismael Campiglia. Amante do jazz e blues, Ismael tocava guitarra. Na ilustração ele aparece tocando sua guitarra Fender, acompanhado pela seção rítmica produzida por discos conhecidos como Minus One, quando é observado por Oswaldo Nascimento. Como, também, adepto da reprodução sonora em três canais, Ismael dispunha de um sofisticado sistema no qual os alto-falantes estavam alojados no icônico sonofletor de canto, modelo Hartsfield, desenvolvido e fabricado pela JBL, que aparece no fundo da fotografia.
Apesar da minha educação e convívio musical serem sempre de origem clássica, intimamente tenho grande afinidade para com o jazz. Acredito que o gosto musical é inato, despertado ao longo da vida por gatilhos psicofísicos. Assim, participei de grupos jazzísticos dentre os quais liderados por Armando Aflalo. Considero-o, ainda hoje, como o maior conhecedor do gênero que o Brasil já teve. Da sua monumental discoteca, com cerca de 8000 discos e fitas, era montado o programa Noite de Jazz, levado ao ar todas às terças e quintas-feiras pela rádio Eldorado. Como estudei piano, no jazz tenho grande afeição pela vertente conhecida como Stride, originalmente desenvolvida por James P. Johnson e sufragada pelo famoso ‘piano player’ Thomas “Fats” Waller. Conhecedor deste meu gosto musical, Aflalo me conduziu por ele através de suas inúmeras gravações, bem como me incentivou a participar de eventos.
Num deles, realizado no 150 do Hotel Maksoud Plaza, tive oportunidade de assistir ao vivo a apresentação do último expoente vivo da era de ouro do jazz no gênero, Earl “Fatha” Hines. Através de Aflalo conheci também outro jazzista: José Cândido Cavalcanti, trombonista, muito influenciado por Glenn Miller, era também radialista onde apresentava programas sobre Big Bands. No final dos anos 60, o jornal paulistano Folha de São Paulo realizava periodicamente, às segundas-feiras, apresentações de jazz onde apareciam vários grupos locais – dentre eles, o Traditional Jazz Band. Nestas apresentações, Cavalcanti sempre se apresentava como trombonista convidado. Do convívio destes encontros conheci, também, Gil Silva. Clarinetista virtuoso, tocava tanto música clássica, como jazz. Na realidade, ele fazia parte do conjunto de madeiras da Orquestra Sinfônica do Estado de São Paulo, e era membro ativo do Traditional Jazz Band. Silva era também um audiófilo apaixonado. Dispunha de uma vasta discoteca e de um renomado sistema reprodutor de som. Geralmente, quando o visitava em sua residência, ele estava estudando clarineta. Isto me ajudou bastante a treinar os meus ouvidos com o timbre do instrumento e, assim, também em familiarizar-me com outros congêneres como flauta, oboé e fagote.

Fig. 11 – Close do Traditional Jazz Band. Gil Silva com sua inseparável clarineta aparece em primeiro plano. Nos anos setenta, Cavalcanti organizou um grupo de amantes do jazz para acompanhar a vinda à São Paulo da então famosa The World Greatest Jazz Band. Dentre as estrelas do conjunto se destacavam: Bob Wilber na clarineta, Bud Freeman no sax tenor, e Ralph Sutton ao piano, que tocava no estilo Stride – o gênero que sempre admirei.

Fig. 12 – No close aparecem eu, Cavalcanti, um jazzista desconhecido e Ralph Sutton, famoso ‘piano player’ especialista no gênero Stride e outro aficionado jazzista.
Nesta altura, o leitor está se perguntando: “Muito bem! Interessante este retrospecto da sua educação tecno-musical, mas afinal de contas, qual o propósito dele?”
Na realidade são dois. Primeiro, como um agradecimento póstumo a todos aqueles que de forma direta ou indireta contribuíram para o meu contínuo aprimoramento no hábito de ouvir música. Logo, apresentar minha experiência para a comunidade atual, pois como leitor da revista Áudio & Vídeo Magazine, noto através de recentes editoriais que, apesar da contínua evolução da eletroacústica e da música como arte, ainda restam muitas dúvidas sobre como educar nossos ouvidos. Isto é, querem ouvir somente música gravada, música ao vivo ou ambas. Além disso, se a audição deveria ser solitária ou em grupos. Dentro deste aspecto, sem dúvida alguma a música necessita de intermediários para trazê-la à sua plenitude democrática, caso contrário ela permanecerá apenas como uma sequência de notações na partitura. Ao transferir a intenção do compositor, alguns executantes fazem isto muito bem, enquanto outros não. Além do mais, inevitavelmente podem ainda adicionar colorações ou sombras a seu bel prazer. Assim, a música gravada também tem intermediários para ressuscitá-la, analogamente aos executantes, e algumas cadeias de áudio fazem isto de forma exemplar, enquanto outras não.
Desta maneira, em outubro de 1978, Harry James, o lendário trompetista de jazz veio ao Brasil. Como jazzófilo (o termo é meu), fui assisti-lo no Teatro Municipal de São Paulo. Fiquei extasiado com a naturalidade e o impacto sonoro da orquestra, criados pela acústica da sala, sem contar a virtuose de James e do seu baterista Sonny Payne, ao executarem clássicos como The FootStamper, Two O’Clock Jump, Moten Swing e You’ll Never Know. Após a apresentação, entusiasmado, enfrentei uma multidão de fãs para falar com James e Payne, quando naquela oportunidade consegui obter os seus autógrafos.

Fig. 13 – Reprodução parcial do programa do músico no Brasil, em outubro de 1978, mostrando a relação de músicas e os respectivos autógrafos de Harry James e do baterista Sonny Payne. No dia seguinte ao espetáculo, liguei o meu sistema de som para ouvir o recém adquirido LP Harry James Comin’ From a Good Place. O disco LAB-6 lançado pela gravadora Sheffield Lab, com gravação direta da matriz original, tem quatro títulos daqueles originalmente apresentados ao vivo.

Fig. 14 – O disco Harry James Comin’ From a Good Place é uma gravação ao vivo do trompetista. O programa musical, gravado em 29 e 30 de julho de 1976, com tecnologia de alta qualidade e com esmerada prensagem feita pela empresa Teldec GMBH, na Alemanha.
Nele, a sua programação apresenta quatro dos vários títulos tocados no espetáculo do Teatro Municipal de São Paulo. Ainda com a sonorização de alguns dos títulos que ouvira no espetáculo retidos na minha memória: The Foot Stamper, Two O’Clock Jump, Moten Swing e You’ll Never Know, e para efeitos de comparação auditiva os mesmos títulos foram reproduzidos do programa da gravação Sheffield Lab. Independentemente de algumas nuances, possivelmente devidas a novos arranjos introduzidos, o resultado foi uma experiência extremamente válida, o que denota que mesmo em se considerando que uma gravação sempre será uma cópia do original, sem dúvida alguma ela oferece algo tão substancioso como o da apresentação ao vivo. Isto, também, leva a um consenso da importância da qualidade do sistema de som usado, pois desde a universalização da reprodução sonora pelo fonógrafo, a maioria das pessoas possuem aparelhos tão ruins que na realidade ouvem apenas arremedo de música, aceitando passivamente esta situação pelo desconhecimento de que, com um mínimo de esclarecimento técnico e esforço pessoal, poderão usufruir de uma audição musical de qualidade. Por exemplo, procurar se enfronhar com a tecnologia eletroacústica através de periódicos como esta Revista, e publicações correlatas.
Tabela 1 – A natural leveza da reprodução musical de qualidade – Paul Wilbur Klipsch.
Assim, por este relato, concluo que para usufruirmos da democrática natureza da música de qualidade é necessário que intimamente desenvolvamos um criterioso e balanceado processo de treinamento dos nossos ouvidos, quer ouvindo música ao vivo ou gravada e, reproduzida fidedignamente, de maneira a tornar a audição um hábito e não um status pela posse de portentosas discotecas e esotéricos e caríssimos equipamentos eletroacústicos.
Referências: